产品中心


航空连接器

YW

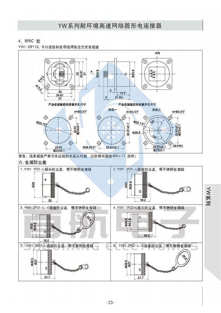
*连接方式:卡口、三头螺纹 *根据需要可内置RJ45、USB、RJ11和1394等接口 *USB有:USB A型、USB B型、MiniUSB A型4P、MiniUSB A型5P、MiniUSB A型8P、MiniUSB B型4P、MiniUSB B型5P *端接形式为导线焊接、压接和印制板焊接 *插座有端接型和转接型,转接形式为单卡口(单螺纹)和双卡口 *接口安装尺寸符合MIL-C-26482(GJB598)和GJB599的安装; *性能指标符合GJB598和TIA/EIA-568。

产品详情